好米动力设备有限公司
服务热线
+86-21-37629898
专注流体  更专注梦想

好米01D带中间迷宫的串联式干气密封

产品详情
设计特点:                         
  • 动环外圆处的轴套护套对动环起保护作用。

  • 动环采用销传动,安全可靠。

  • 动环采用浮动式设计,适应工况能力强。

  • 两级密封串联布置,在两级密封间加入迷宫密封结构。在迷宫密封与二级密封间通入缓冲气,防止通过一级密封泄漏的工艺气通过二级密封泄漏到大气侧。大部分缓冲气与一级泄漏工艺气混合进入火炬线。故密封对工艺介质的密封性好。

  • 当一级密封失效时,二级密封可以起到辅助安全的作用。

适用范围:                               
  • 温度:-60~200℃;

  • 压力:≤10MPa;

  • 线转速:≤180m/s;

  • 应用领域:适用于既不允许工艺气泄漏到大气中,又不允许阻封气进入机内的工况,例如炼油装置中的汽柴油加氢循环氢压缩机;硫化氢含量较高的天然气压缩机;乙烯装置中裂解气、乙烯、丙烯气压缩机;化肥生产中的氨气压缩机、原料气压缩机和合成气压缩机,煤化工中的甲醇合成气压缩机等。

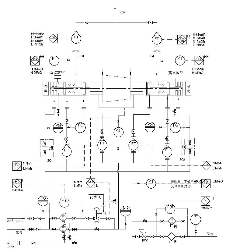
好米01D带中间迷宫的串联式干气密封典型控制系统图


首页                       关于我们                       产品案例                       好米技术                       行业案例                       新闻资讯                       联系我们
上海好米工业技术有限公司
地址:上海市闵行区马桥镇中康路228号 手机:86-18917761122 电话: 86-21-37629898 传真: 86-21-64025556 邮编:201111 邮箱:Sales@sh-haomi.com
好米动力设备有限公司
地址:上海市闵行区马桥镇中康路228号
手机:86-18917761122
电话:86-21-37629898
传真:86-21-64025556
邮编:201111
邮箱:Sales@sh-haomi.com
关注我们
好米集团
关注好米