好米动力设备有限公司
服务热线
+86-21-37629898
专注流体  更专注梦想

好米01B双端面干气密封

产品详情
设计特点:                             
  • 动环外圆处的轴套护套对动环起保护作用。

  • 动环采用销传动,安全可靠。

  • 动环采用浮动式设计,适应工况能力强。

  • 密封气压力高于被密封介质0.2MPa,少量密封气进入介质侧,

  • 从而防止介质泄漏。

适用范围:                          
  • 温度:-60~200℃;

  • 压力:≤2MPa;

  • 线转速:≤180m/s;

  • 应用领域:适用于工艺气不允许泄漏到大气侧,但允许少量密封气泄漏到机内的工况,可用于炼油装置中的催化、焦化富气压缩机,化工装置的低压氯气压缩机等。

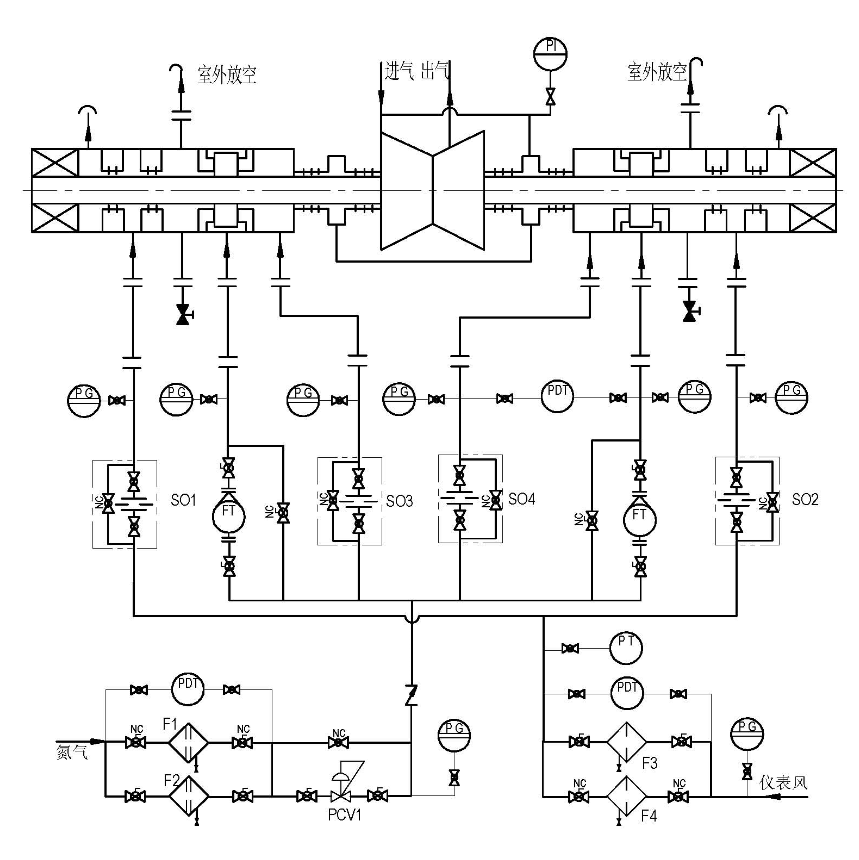
好米01B双端面干气密封典型控制系统图






首页                       关于我们                       产品案例                       好米技术                       行业案例                       新闻资讯                       联系我们
上海好米工业技术有限公司
地址:上海市闵行区马桥镇中康路228号 手机:86-18917761122 电话: 86-21-37629898 传真: 86-21-64025556 邮编:201111 邮箱:Sales@sh-haomi.com
好米动力设备有限公司
地址:上海市闵行区马桥镇中康路228号
手机:86-18917761122
电话:86-21-37629898
传真:86-21-64025556
邮编:201111
邮箱:Sales@sh-haomi.com
关注我们
好米集团
关注好米