好米动力设备有限公司
服务热线
+86-21-37629898
专注流体  更专注梦想

好米01A单端面干气密封

产品详情
设计特点:                             
  • 动环外圆处的轴套护套对动环起保护作用。

  • 动环采用销传动,安全可靠。

  • 动环采用浮动式设计,适应工况能力强。

  • 泄漏的少量无害工艺气体可在高点直接放空。

适用范围:                          
  • 温度:-60~200℃;

  • 压力:≤10MPa;

  • 线转速:≤180m/s;

  • 应用领域:可用于对环境无害的中性介质工况,如二氧化碳压缩机、空压机、氮压机等。



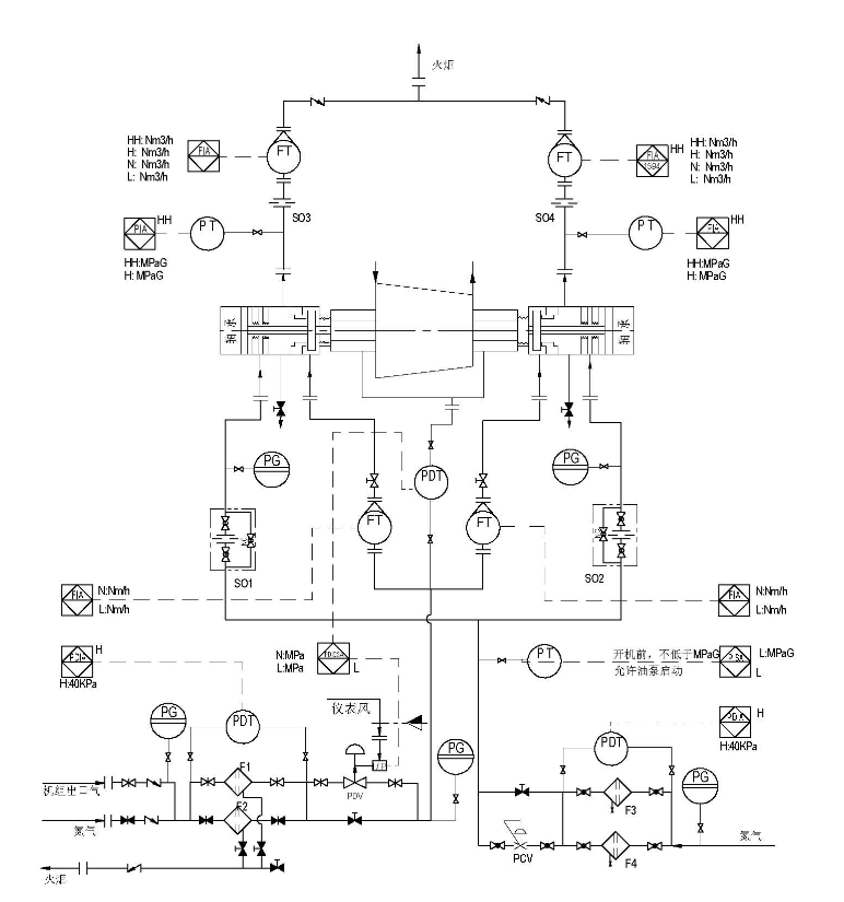
好米01A单端面干气密封典型控制系统图


首页                       关于我们                       产品案例                       好米技术                       行业案例                       新闻资讯                       联系我们
上海好米工业技术有限公司
地址:上海市闵行区马桥镇中康路228号 手机:86-18917761122 电话: 86-21-37629898 传真: 86-21-64025556 邮编:201111 邮箱:Sales@sh-haomi.com
好米动力设备有限公司
地址:上海市闵行区马桥镇中康路228号
手机:86-18917761122
电话:86-21-37629898
传真:86-21-64025556
邮编:201111
邮箱:Sales@sh-haomi.com
关注我们
好米集团
关注好米